• MLA Design Group
Miller Landscape Architecture Miller Landscape Architecture
  • Story
  • Places
  • Blog
  • Connect
Miller Landscape Architecture
  • STORY
  • PLACES
  • CONNECT
  • BLOG
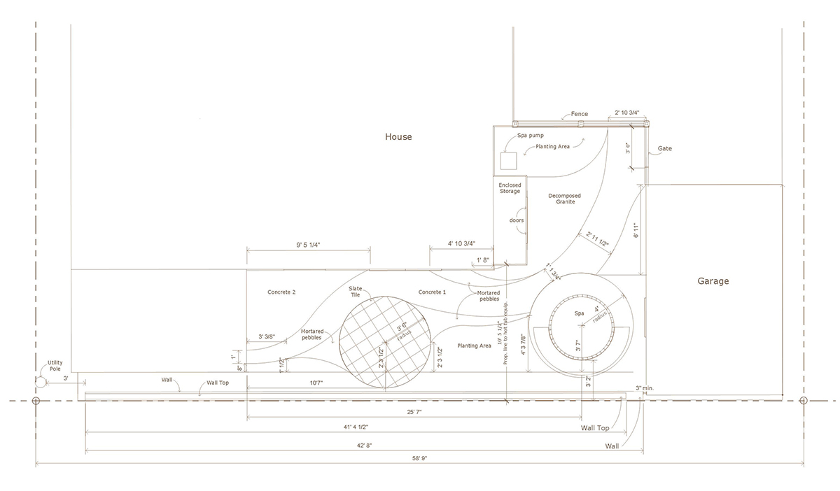
Plan details MLA Design Group

by jillian |
© 2026 Miller Landscape Architecture. All Rights Reserved.
Website design by First Flight Designs